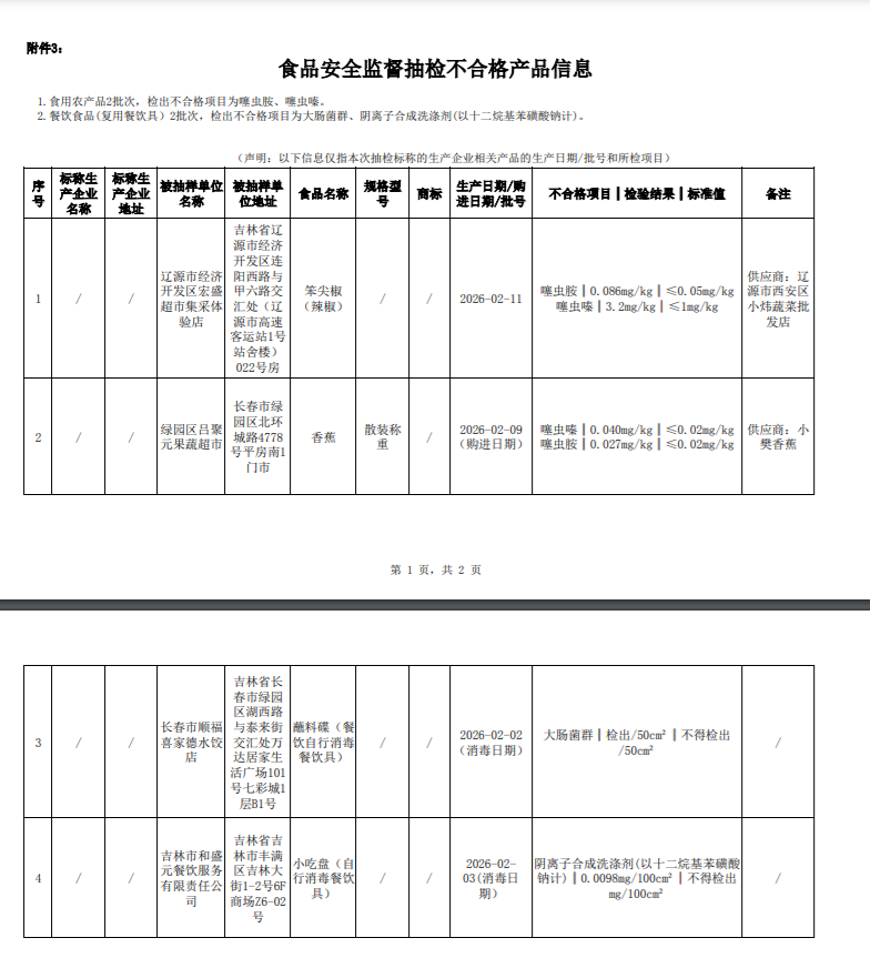
央广网长春4月14日消息(记者郭明彤)近日,吉林省市场监督管理厅网站发布了《关于食品不合格情况的通告》(2026年第3期)。其中,长春一喜家德水饺店餐具检出大肠菌群。
吉林省市场监督管理厅近期组织开展食品专项抽检,抽检17类食品共951批次样品,检出不合格样品4批次。发现的主要问题为农药残留超标、其他微生物等问题。其中,位于吉林省长春市绿园区湖西路与泰来街交会处万达居家生活广场101号七彩城1层B1号的长春市顺福喜家德水饺店蘸料碟(餐饮自行消毒餐饮具)2026-02-02(消毒日期),大肠菌群║检出/50cm2║不得检出/50cm2。

对抽检中发现的不合格产品,吉林省市场监督管理厅已通报属地市场监管部门依法予以查处,召回不合格产品,分析原因进行整改,采取下架等措施控制风险。特别提醒消费者,如购买或在市场上发现通告所列批次的不合格食品,请拨打食品安全投诉举报电12315或12345热线投诉举报。开运体育官网入口